Products

DIN F4 Ball Valve

Model:
-
Size:
DN50-DN300
Pressure:
PN10,PN16
Body Materials:
GG25, Ductile Iron GGG40, GGG50
Applicable Medium:
Water etc.
Chat Online
Download PDF

Product Introduction

The high platform ball valve and flange gate valve belong to the same type of valve. The difference is that its closing part is a sphere. The sphere rotates around the center line of the valve body to open and close the valve. Ball valves are mainly used in piping to cut off, distribute and change the flow direction of media. Two-piece ball valve and three-piece ball valve are widely used as a new type of valve.

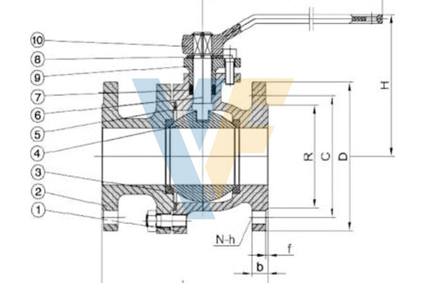
Body Material: GG25, Ductile Iron GGG40, GGG50

Bonnet Materials: GG25, Ductile Iron GGG40, GGG50

Ball: SS420/SS304

Seat: PTFE

Stem: SS420/SS304

End Connection: Flanged

DIN F4 Ball Valve
DIN F4 Ball Valve

Product Features

1. Keep the position of the valve handle rotating.
2. Cannot be used as a throttle.
The ball valve of belt drive mechanism should be installed upright.
The working principle of the high platform ball valve is to rely on the love of the rotary valve to make the valve unblocked or blocked. Ball valve switch is light, small, can be made into a large caliber, reliable seal, simple structure, easy maintenance, sealing surface and sphere are often in closed state, not easy to be eroded by media, widely used in various industries.
The high platform ball valve is mainly used to cut off, distribute and change the flow direction of the medium in the pipeline. Ball valve is a new type of valve widely used in recent years.

Technical Parameters

DIN F4 Ball Valve

Norminal diameter L H W D2 D1 D b n-b
15 115 78 130 45 65 95 14 4-014
20 120 113 160 58 75 105 16 4-4)14
25 125 107 160 68 85 115 16 4-4)14
32 130 113 160 78 105 140 18 4-4)18
40 140 130 250 88 110 150 18 4-4)18
50 150 146 250 102 125 165 20 4-4)18
65 170 176 350 122 145 185 20 4-4)18
80 180 222 350 138 160 200 22 8-4)18
100 190 222 400 158 180 220 24 8-4)18
125 325 257 750 188 210 250 26 8-4)18
150 350 275 850 212 240 285 28 8-4)23
200 400 400 1200 268 295 340 30 12-4)23

Technical Standard

1.Design and manufacture according to DIN3357
2. Face to face according to DIN3202
3.Flange drilling according to DIN2533
4.Pressure test according to DIN3230

Fill out the form below, we will get back you soon

Contact Our support team for inquiry

have any questions? Ask our experts

Monday - Fri : 9:00 AM to 7:00 PM

(+86) 379 6992 6196 / (+86) 152 3616 4670

We are committed to providing you with better products!